Installationsdokumentation
Aktueller Stand der Installation
230V

(bitte hier klicken für PDF in voller Auflösung)
In diesem Schaltplan ist auch dokumentiert, welche Bootselemente geerdet werden. Der galvanische Isolator und eine neue Opfer-Anode am SailDrive verhindern (hoffentlich) galvanische Korrosion.
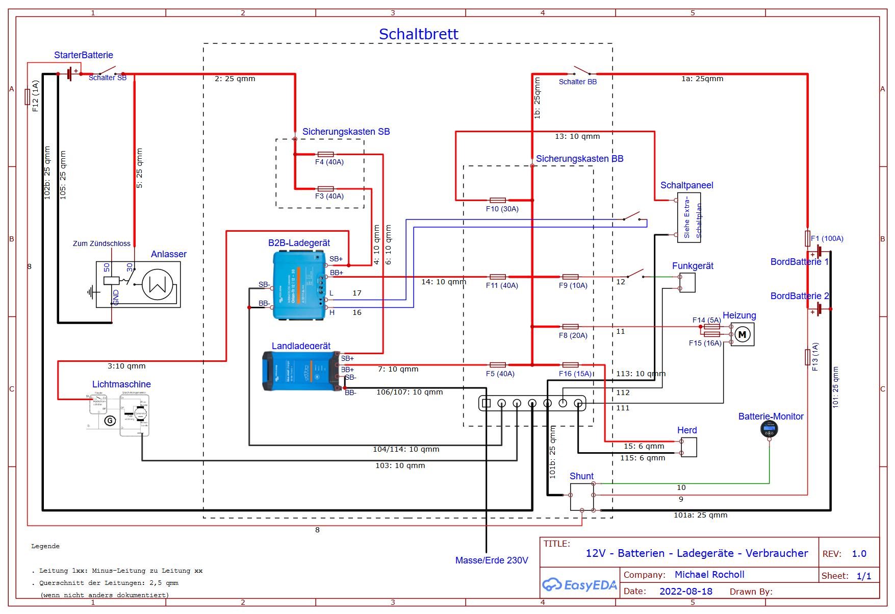
12V
Aktuelle Energie-Bilanz:

(bitte hier klicken für PDF in voller Auflösung)
12V - Schaltplan:

(bitte hier klicken für PDF in voller Auflösung)
Leitungsliste:
(bitte hier klicken für PDF in voller Auflösung)
Die Leitungs-Querschnitte in dieser Tabelle wurden mit dem Kabelquerschnittsrechner der Klabauterkiste berechnet (aktuell: Wire Size Calculators for Boats)